
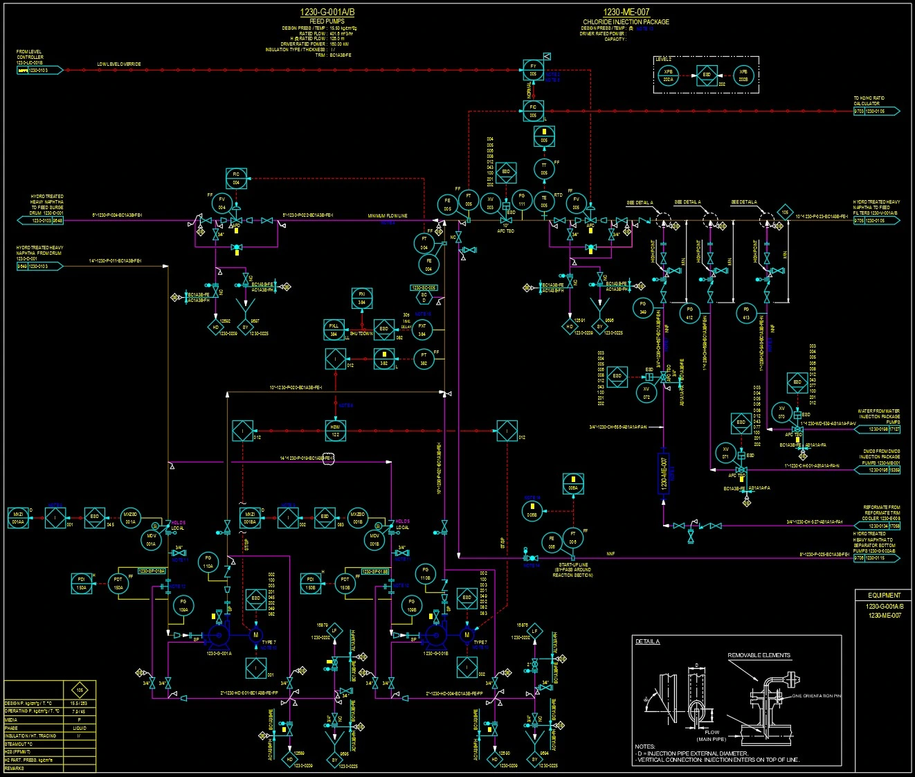
Piping and Instrumentation Drawings (P&ID)
Our CAD drafting services include the creation of detailed Piping & Instrumentation Diagrams (P&IDs), also known as Process Engineering Flow Schemes (PEFS). Unlike Process Flow Diagrams (PFDs), P&IDs provide a comprehensive, single-line schematic that includes all equipment, instruments, control systems, major valves, line sizes, and pipe specifications. P&IDs serve as a master reference document for all engineering disciplines, guiding design, construction, and operational decisions. They contain the critical data required for other design groups to progress with detailed design work, fabrication, and installation, ensuring coordination, accuracy, and efficiency across the entire project lifecycle.