Structural Steel Design & Detailing Services
Delivering accurate and constructable structural steel designs and details that optimize material usage while adhering to strength and performance requirements.
Back to ServicesExplore Our Projects
Work History
Discover key milestones from our extensive work in Structural Steel Design and Detailing
200+
Completed Projects
100+
Happy Customers
300+
Our Team
Our Services
We are pleased to introduce our services in delivering accurate and constructable structural steel designs and details. Our designs are crafted to optimize material usage while fully adhering to strength and performance requirements. This not only enhances the quality of work but also contributes to cost-effectiveness in your projects.




Structural Analysis and Design Program
Comprehensive analysis and design of steel structures using advanced software tools.
Key Features:
- Design and detailing as per Indian and International codes.
- Wind and Seismic force application and making structure safe in strength and serviceability conditions
- Finite Element Analysis (FEA)
- Retrofitting and integrity checks
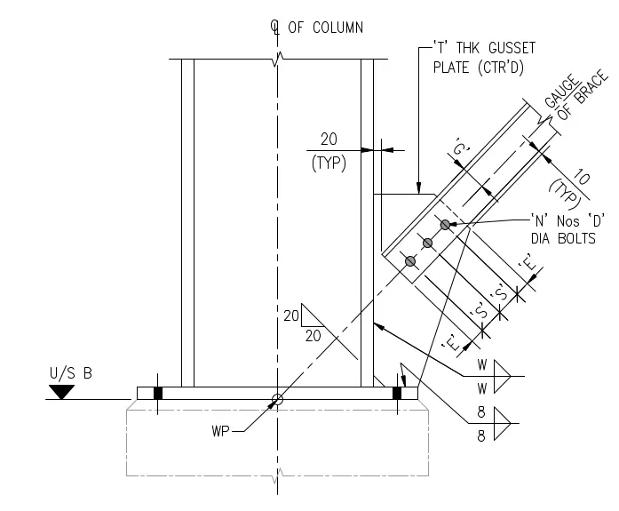
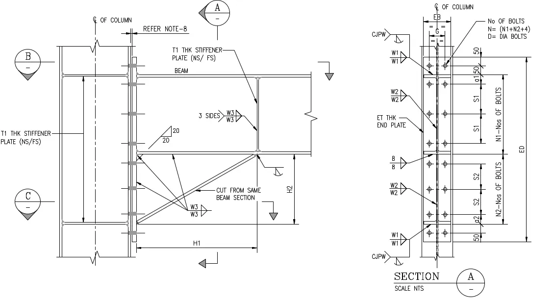
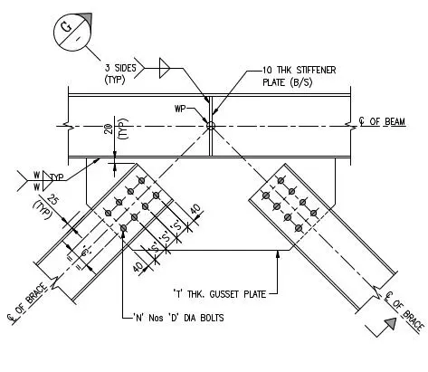
- Connection design and detailing
- Design document preparation
- Expertise in : a) Piperack b) Pipe bridges c) Pipe supports d) Hanging supports e) Sleepers f) Steel shelters



3D Modelling & BIM Coordination
Integration of 3D modeling and BIM processes to enhance collaboration and efficiency in steel design and detailing.
Key Features:
- Intelligent 3D modeling
- Multi-discipline coordination
- Clash detection and resolution
- Model-based deliverables
- Construction sequencing visualization




Connection Design & Calculations
Development of detailed 3D models of steel structures for visualization, clash detection, and fabrication planning.
Key Features:
- Structural analysis and design calculations
- Connection capacity verification
- Load path analysis
- Code compliance checks
- Optimization for cost and performance




Structural Steel Detailing using Tekla
Advanced analysis of steel structures under various loading conditions including gravity, wind, seismic, and dynamic loads.
Key Features:
- Comprehensive 3D modeling with Tekla Structures
- Detailed connection design and analysis
- Automated drawing generation
- Material take-off and quantities
- Clash detection and coordination


Anchor Bolt Plans
Detailed design of steel connections including bolted and welded connections optimized for strength and constructability.
Key Features:
- Precise anchor bolt layout and positioning
- Foundation coordination drawings
- Bolt schedule and specifications
- Installation guidelines and details
- Quality control checklists



Shop Drawings
Creation of comprehensive shop drawings and fabrication details with precise dimensions and material specifications.
Key Features:
- Detailed fabrication drawings
- Assembly and piece mark drawings
- Welding symbols and specifications
- Material lists and cutting lists
- Quality assurance documentation



CNC Data and DXF Files
Preparation of CNC data files for automated fabrication processes, ensuring precision and efficiency in steel component production.
Key Features:
- NC1 and DSTV file generation
- Automated cutting and drilling data
- Machine-ready programming
- Quality control protocols
- File verification and validation



Erection Plans
Development of detailed erection plans and sequences to ensure safe and efficient on-site assembly of steel structures.
Key Features:
- Phased erection sequences
- Erection and bolt feasibility
- Safety considerations and protocols
- Temporary bracing requirements
- Site logistics coordination

Bill of Materials (BOM)
Accurate bill of materials including quantities, sizes, and specifications for all steel components to support procurement and fabrication.
Key Features:
- Detailed material takeoffs
- Comprehensive parts lists
- Specification compliance
- Cost estimation support
- Procurement optimization
- Advanced bill of materials
Ready to Elevate Your Structural Steel Projects?
Contact us today to discuss how our expert structural steel design and detailing services can bring efficiency, accuracy, and cost savings to your next project.